top of page
HOME
NEWS
事業紹介
技術情報
製品情報
実験キット
モジュール
部品
会社情報
お問合せ
採用情報
More
Use tab to navigate through the menu items.
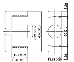
ETD40
ボビン
コア
カバー
bottom of page